Lectura de Sensores
LECCIÓN 02
Para obtener tu recompensa debes estar registrado en nuestra plataforma y publicar tu trabajo
🧠 ¿Qué aprendo?
- Qué es un Sensor
- Comunicación Serial
- Lectura de un Sensor Digital
- Lectura de un Sensor Analógico
- Ver datos por la pantalla del computador
💡 ¿Qué es un Sensor?

🧠 Un sensor no es más que un componente electrónico que transmite más o menos electricidad en función de un elemento físico, como la luz, el sonido, la distancia, etc. Si queremos conectar un sensor a nuestra placa, tendremos que averiguar primero si el sensor es digital o analógico.
🧠 El sensor digital
💡 Un sensor digital solo puede tener dos valores: 1 o 0, todo o nada. Un ejemplo de sensor digital es un pulsador, en el que cuando pulsamos el botón éste vale 1, y cuando no lo pulsamos 0.

🧠 El sensor analógico
💡 Un sensor analógico puede tener múltiples estados siendo capaz de transformar la cantidad de luz, temperatura u otros elementos físicos en un valor comprendido entre 0 y 1023. Un ejemplo de sensor analógico es un sensor de luz, donde dependiendo de la cantidad de luz que el sensor recibe dará un valor mayor o menor.

🧠 ¿Dónde guardar la información? – Las variables
💡 Una variable es un valor que guardamos y que podremos recuperar cuando lo necesitemos. Digamos que es como una caja donde guardamos un dato, como por ejemplo… un espárrago.
💡 Este valor que guardamos en nuestra caja, lo podremos ver y reutilizar más adelante. Si no guardamos ese dato en una variable no podremos reutilizarlo, ya que el programa no lo recordará. Además, como veremos más adelante, en cualquier momento podremos cambiar el valor guardado en la variable.

💡 Comunicándose con otros Dispositivos: El puerto Serie
🧠 El puerto serie es el medio que tiene tu placa controladora para comunicarse con otro aparato como el ordenador o tu móvil. Es muy útil para comprobar de un vistazo el valor de un sensor o una variable, ver el estado de tu programa y, en definitiva, corregir y entender mejor los posibles errores que éste tenga.

📋 Ejemplo N° 1: ¡Hola otra vez! – Enviando mensajes
➡️ Ingresamos a la Cuenta de Tinkercad de miMakerHouse Talleres Regulares y hacemos clic en «Unirse con apodo». Ahí colocamos nuestro nombre de usuario (primerNombre.primerApellido)
Simulación de Circuitos con TinkerCad
➡️ Ingresamos a la Cuenta de ArduinoBlocks de miMakerHouse y en «Correo electrónico» colocamos nuestro nombre de usuario (NombreApellido.bmaker)
💻Descripción
💡 Realizar la programación de nuestra placa Arduino UNO para que envíe un saludo a la computadora a través del puerto serie.
🆘 ¿Cómo funciona?
✅ Dentro de la pestaña Comunicaciones -> Puerto Serie encontrarás el bloque Enviar » » con salto de línea. Este bloque te permitirá enviar información mediante el puerto serie a tu ordenador. Escribe el mensaje ¡Hola! y añade una espera de un segundo y carga el programa en tu placa.
💻 Diagrama

💻 Circuito

💻 Código Tinkercad

💻 Código ArduinoBlocks

💻 Código Arduino

📋 Ejemplo N° 2: ¿Qué información envía un botón?
➡️ Ingresamos a la Cuenta de Tinkercad de miMakerHouse Talleres Regulares y hacemos clic en «Unirse con apodo». Ahí colocamos nuestro nombre de usuario (primerNombre.primerApellido)
Simulación de Circuitos con TinkerCad
➡️ Ingresamos a la Cuenta de ArduinoBlocks de miMakerHouse y en «Correo electrónico» colocamos nuestro nombre de usuario (NombreApellido.bmaker)
💻Descripción
💡 Realizar la programación de nuestra placa Arduino UNO para que envíe la información que recibe el botón cuando es o no es presionado.
🆘 ¿Cómo funciona?
✅ El pulsador envía ‘0 -> Low -> False’ al Arduino cuando está presionado
✅ El pulsador envía ‘1 -> High -> True’ al Arduino cuando no está presionado
💻 Diagrama

💻 Circuito

💻 Código Tinkercad

💻 Código ArduinoBlocks

💻 Código Arduino

🧠 Sentencia Condicional
💡 Una sentencia condicional es plantearse una pregunta para actuar de una forma u otra según la respuesta. Por ejemplo, si llueve, abriré el paraguas. Si por el contrario no llueve, lo cerraré. Si hace frío, me pondré el abrigo. Si hace calor, me lo quitaré. Si es de noche, encenderé una luz. Si por el contrario es de día, la apagaré.

💡 El bloque Si no, se ejecutará cuando no se cumpla la condición principal.

⚔️Desafío 01: Demuestra lo aprendido
💰Recompensa: 30 Monedas de Oro – 15 Cristales de Experiencia
🧠 Utiliza la información del ejercicio «¿Qué información envía un botón?» para que al presionar el botón (PIN 2) el Monitor Serie debe mostrar el mensaje «Botón presionado» y cuando no esté presionado debe mostrar «Botón no presionado».
🆘 ¿Cómo funciona?
✅ El pulsador envía ‘0 -> Low -> False’ al Arduino cuando está presionado
✅ El pulsador envía ‘1 -> High -> True’ al Arduino cuando no está presionado
➡️ Ingresamos a la Cuenta de Tinkercad de miMakerHouse Talleres Regulares y hacemos clic en «Unirse con apodo». Ahí colocamos nuestro nombre de usuario (primerNombre.primerApellido)
Simulación de Circuitos con TinkerCad
➡️ Ingresamos a la Cuenta de ArduinoBlocks de miMakerHouse y en «Correo electrónico» colocamos nuestro nombre de usuario (NombreApellido.bmaker)
💻 Diagrama

💻 Circuito

💻 Código Tinkercad

💻 Código ArduinoBlocks

💻 Código Arduino

💡 Lectura de un Sensor Analógico
🧠 Una señal analógica es aquella que puede tomar un número infinito de valores comprendidos entre dos límites. La mayoría de los fenómenos de la vida real son señales de este tipo (sonido, temperatura, voz, video, etc.).

💡 Un ejemplo de sistema electrónico analógico es un parlante, que se emplea para amplificar el sonido de forma que éste sea oído por una gran audiencia. Las ondas de sonido que son analógicas en su origen, son capturadas por un micrófono y convertidas en una pequeña variación analógica de tensión denominada señal de audio.

🧠 El Potenciómetro
💡 Un potenciómetro es un resistor eléctrico con un valor de resistencia variable y que puede ajustarse de manera manual.

📋 Ejemplo N° 2: Lectura Analógica del Potenciómetro
➡️ Ingresamos a la Cuenta de Tinkercad de miMakerHouse Talleres Regulares y hacemos clic en «Unirse con apodo». Ahí colocamos nuestro nombre de usuario (primerNombre.primerApellido)
Simulación de Circuitos con TinkerCad
➡️ Ingresamos a la Cuenta de ArduinoBlocks de miMakerHouse y en «Correo electrónico» colocamos nuestro nombre de usuario (NombreApellido.bmaker)
💻 Descripción
🧠 Una entrada análoga (Sensor analógico) en Arduino tiene un valor que va de 0 o 1023, un sensor analógico solo puede ser conectado en los pines A0, A1,…, A5.
🆘 ¿Cómo funciona?
✅ Al girar el potenciómetro se debe observar en el monitor serie de la computadora los datos que vienen desde el Arduino, datos que van desde 0 a 1023
💻 Diagrama

💻 Circuito

💻 Código Tinkercad

💻 Código ArduinoBlocks

💻 Código Arduino

⚔️Desafío 02: Demuestra lo aprendido
💰Recompensa: 30 Monedas de Oro – 15 Cristales de Experiencia
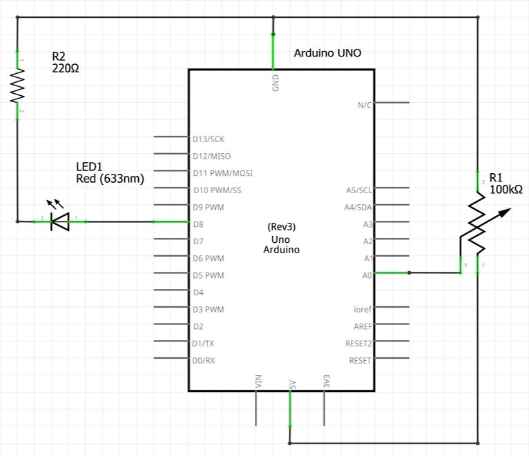
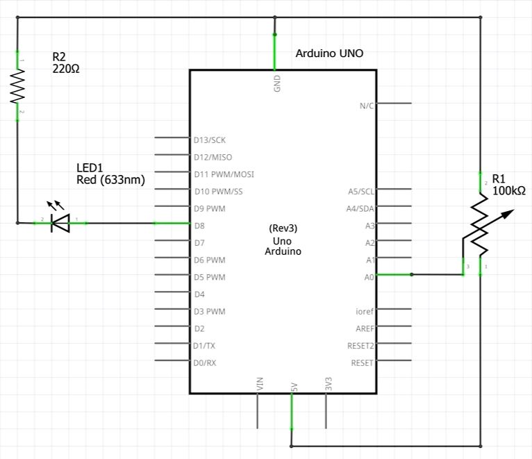
🧠 Utiliza la información y el mismo diagrama del ejercicio «Lectura Analógica del Potenciómetro» para hacer que un LED se encienda cuando la lectura del sensor sea mayor o igual (≥) a 500, caso contrario el LED se debe apagar.
💻 Diagrama

💻 Circuito

💻 Código Tinkercad

💻 Código ArduinoBlocks

💻 Código Arduino

¡Estamos listos, a construir!
💰Recompensa: 10 Monedas de Oro – 5 Cristales de Experiencia
➡️ Ingresamos a la Cuenta de ArduinoBlocks de miMakerHouse y en «Correo electrónico» colocamos nuestro nombre de usuario (NombreApellido.bmaker)
➡️ RETO 01:
💻 Diagrama
💻 Circuito
➡️ RETO 02:
💻 Diagrama
💻 Circuito
➡️ RETO 03:
💻 Diagrama
💻 Circuito
➡️ RETO FINAL:
💻 Diagrama
💻 Circuito
Recuerda
💡 Un sensor, también llamado entrada o input, es un dispositivo capacitado para captar acciones o estímulos externos y responder en consecuencia. En otras palabras, permite captar la información del medio físico que nos rodea.
